密闭采样系列
密闭采样器
|产品介绍
密闭采样器是以SH023-92《液化石油气采样法》为基础。适用于石油化工置中各种有毒有害及易燃、易爆等有危险性的高、中、低压介质进行的取样。采集的样品真实性强,无残液、残气排放,有效地防止有毒害介质对使用都的伤害,同时也避免造成环境污染,以及易燃易爆介质在采样时可能造成的伤害。
HCY型密闭采样器是我公司参考UOP技术,结合生产实际、用户意见、国外同类产品先进经验、历经几年开发设计的新型采样设备(HCYA-LR型液体密闭采样器,带吹扫、定量;HCY A-G型气体密闭采样器,带吹扫)。该设备性能完全能与国外产品媲美,适用于石油、化工装置中对管道内的工艺状况下各种介质——尤其是有毒、易燃、易爆等危害性的中、低、高压气、液介质的无泄漏采样。所采样品真正做到新鲜、准确性高,无残液、残气,有效防止有毒、有害介质对操作者的伤害,符合国家对环保和防火、防爆规范的要求。
阀门、卡套接头等配置:国产、台湾JPE、美国世伟洛克swagelok,由客户自选。
HCY型密闭采样器是我公司参考UOP技术,结合生产实际、用户意见、国外同类产品先进经验、历经几年开发设计的新型采样设备(HCYA-LR型液体密闭采样器,带吹扫、定量;HCY A-G型气体密闭采样器,带吹扫)。该设备性能完全能与国外产品媲美,适用于石油、化工装置中对管道内的工艺状况下各种介质——尤其是有毒、易燃、易爆等危害性的中、低、高压气、液介质的无泄漏采样。所采样品真正做到新鲜、准确性高,无残液、残气,有效防止有毒、有害介质对操作者的伤害,符合国家对环保和防火、防爆规范的要求。
阀门、卡套接头等配置:国产、台湾JPE、美国世伟洛克swagelok,由客户自选。
|产品结构
HCY型采样器已在国内石油化工工艺装置(渣油加氢、重油催化、气体分馏等装置)中采用,获得了一致好评。我公司生产HCYM型密闭式采样器用户可以根据不同的工艺要求选用。各采样器主体材质均为1Cr18Ni9Ti或0Cr18Ni9Ti,外观大方、华丽。HCYM型密闭式采样器,主要由箱体、采样瓶、缓冲罐、快换手轮、压力表、阀门、密封件及法兰组成。
|产品技术参数
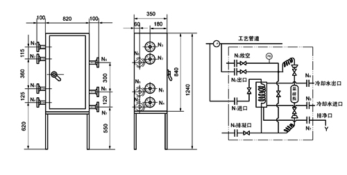
技术参数适用范围①HCYM-IA型液体密闭式采样器
●适用范围:
适用于各种有毒、有害、易燃、易爆等各种液体介质的采样。
●技术参数:
采样温度:-20~60℃,
设计压力:0~10.0MPa,
采 样 量:100ml。

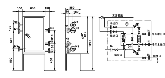
②HCYM-IB型液体密闭式采样器
●适用范围:
适用于各种有毒、有害、易燃、易爆等各种液体介质的采样。
●技术参数:
采样温度:-20~400℃,
设计压力:0~10.0MPa,
采 样 量:100mL。

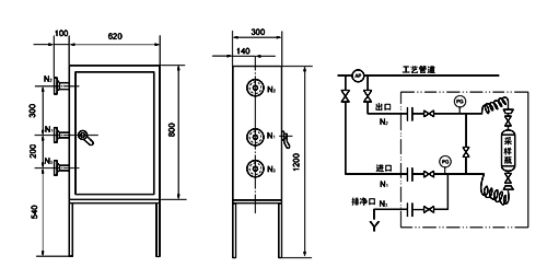
③HCYM-IIA型气体密闭式采样器
●适用范围:
适用于各种有毒、有害、易燃、易爆等各种气体介质的采样。
●技术参数:
使用温度:-20~50℃,
设计压力:0~10.0MPa,
采 样 量:200ml~500ml。

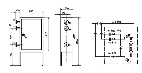
④HCYM-IIB型气体密闭式采样器
●适用范围:
适用于各种有毒、有害、易燃、易爆等各种气体介质的采样。
●技术参数:
采样温度:-20~400℃,
设计压力:0~10.0MPa,
采 样 量:200ml~500ml。

|安装维护
|订货须知
1、订货时请详细注明采样器型号、介质名称、压力和温度。2、请注明连接面法兰标准。








产品中心 
