过滤器系列
篮式过滤器
|产品介绍
蓝式过滤器是工业生产中不可缺少的管道附件。蓝式过滤器一般安装在管道上,能过滤流体中的固体杂质,保证管线设备系统正常地运行,可使流体更加纯净,获得理想的工业产品。当蓝式过滤器需要清洗时应打开上盖取出滤网,滤网清洗后重新装入即可。因此,蓝式过滤器使用维护极为方便。在石油、化工、制药、食品等行业中得到了广泛的应用,深受用户的青睐。
|产品结构


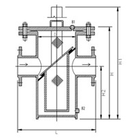
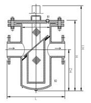
篮式直通平底型 篮式直通狐底型
|产品技术参数
蓝式过滤器参数材料表:| 壳体材质 | PP 碳钢 不锈钢 衬里 |
| 滤框滤网材质 | 不锈钢 |
| 密封件材质 | 耐油石棉橡胶、金属缠绕垫、聚四氟乙烯 |
| 工作温度(℃) | -80~450 |
| 连接方式 | 法兰连接、对焊连接、螺纹连接 |
| 公称压力(MPa) | 0.6~16.0 (150Lb~900Lb) |
| 过滤精度(目/in) | 5~800 |
蓝式过滤器表格计算单位:(mm)
| DN | 25 | 40 | 50 | 80 | 100 | 125 | 150 | 200 | 250 | 300 |
| SIZE | 1” | 11/2” | 2” | 3” | 4” | 5” | 6” | 8” | 10” | 12” |
| D1 | 76 | 108 | 108 | 159 | 219 | 273 | 325 | 377 | 426 | 478 |
| L | 180 | 260 | 260 | 399 | 459 | 513 | 565 | 617 | 666 | 718 |
| H | 260 | 300 | 300 | 417 | 508 | 617 | 724 | 793 | 893 | 997 |
| H1 | 410 | 560 | 560 | 719 | 881 | 1079 | 1276 | 1397 | 1544 | 1739 |
| H2 | 160 | 170 | 170 | 214 | 272 | 345 | 404 | 446 | 495 | 563 |
|安装维护
|订货须知
1、我厂承接各种非标尺寸蓝式过滤器;2、订货时请注明口径、材质、压力、过滤精度及数量等。








产品中心 
