截油排水系列
液化气切水器
|产品介绍
HQSY型液化气自动切水器是我公司根据液化气自动切水的需要,自行设计开发的新产品,它具有不受罐内压力大小的影响,不需要外加动力,机械切水,该设备使用寿命长,可人工职守自动切水或者TCP协议远程控制切水,安全可靠双保险,在寒冷季节,球罐底部水层易冰冻的情况下可在设备外加保温盘管来加温确保正常的切水工作。并且凭借其独特的密封工艺,能确保球罐切水器无论是带压脱水,还是脱水完毕后受压都不会产生介质泄露。在0-60Mpa压力范围内进行切水,切水完毕后数月内无介质泄露,完全可以满足工作需要。
本设备在球罐上取代了用人工切水,解决了切水容易泄露的弊端,并降低了石油液化气的浪费,有效的控制人体中毒,易燃易爆的发生,因此,本产品也满足了系统排放管道化的要求,避免了无序排放,改善了生态环境。
本设备在球罐上取代了用人工切水,解决了切水容易泄露的弊端,并降低了石油液化气的浪费,有效的控制人体中毒,易燃易爆的发生,因此,本产品也满足了系统排放管道化的要求,避免了无序排放,改善了生态环境。
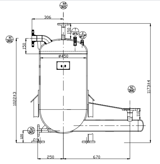
|产品结构

本产品由壳体、浮子、杠杆及浮力放大机构、无背压二次密封阀等主要部件组成,它利用水和液态烃的密度差及液体在容器内压力均布的原理,通过浮子沉浸在水和液态烃中浮力差实现上下运动,借助力的放大机构放大浮力差,以此为动力来控制无压阀的开启和关闭,并将切水器罐内分离的液态烃快速返回到球罐内,从而达到切水控制的目的。
|产品技术参数
1、 设计压力:2.2Mpa-6.4Mpa2、 工作温度:-20℃-50℃
3、 工作介质:液化烃类和水
4、 脱水介质密度:≤790KG/立方
5、 切水量:0.01-30立方/小时
6、 切水含烃量:≤20PPM
|安装维护
安装、检测步骤及注意事项1.在专业人员的指导下安装,为确保球罐切水器的顺利工作,切水器应处于水平状态。
2.安装前和后均不要让任何物体或者杂质落入球罐切水器罐内,或落在阀座上导致磕坏或者刮伤密封面,从而造成设备失效。
3.现场安装前,封闭介质入口阀处于关闭状态,请开启排水口,从放空口充入压缩空气0.6-2.5Mpa(任何一值均可),检查在无水的状态下设备的密封效果是否因运输环节受到影 响。
4.上述过程中发现排水口有风冲雾射状态,说明阀门密封不严,应立刻关闭排水口阀及入口阀,设备不得安装,在供应商专业的指导下调整。
5.确定无误后在切水器入水口与对接弯头没有连接前,开启排水阀、关闭放空口阀、倒入清洁的110升水到球罐切水器罐内,边倒边观察,到排水口不断排水,当排水口排水结束 后关闭排水口继续倒水直到水灌满为止。
6.安装处地面应用水平仪找平,并保持较高强度,用3个M20地脚螺栓安装。
7.按图纸的尺寸及方位先将介质到切水器的管线安装好,再测量闸阀F1中心线到地面的高度,确保从球罐底部到切水器入口为坡形,为避免罐根阀受力应先确定切水器支腿具体 位置,搁置减震垫片,将切水器搁置在减震垫片上,不断调整各减震垫片的厚度,直到对接处中心高度完全一致,再按照图纸上焊对接法兰的方法确保两处法兰螺栓对接轻松, 闸阀不受力。
8. 全部对接安装后确保所有阀门处于关闭状态。
9.无误后球罐切水器应接地,以防止静电积聚产生潜在的危险。
为确保切水器的安全可靠的工作,应充分熟读并理解本品的配套说明,应至少每三天巡检一次球罐切水器,及时了解设备的使用情况,当发现:
1. 各密封连接处、阀门的阀柄与阀体结合处出现泄漏或渗漏,应及时关闭入口阀、排水口阀。
2. 尽量减少阀门的操作,避免阀体过早出现磨损而泄漏
3.本品连续0.5-1小时不排水应关闭排水口阀门,作业完毕及时关闭阀门
4.放空口阀门仅在安装期间或排污、检修、放空时开启,其他时候均关闭严密
5.至少每一年按检测报告及验收检测办法进行切水及密封性能检测
6.定期排污,应根据现场情况及时除去切水器内的污垢,在确定切水器内及球罐排水管内全部为水时出去杂质,注意:排污前先关闭罐根阀,再开启放空口,确保切水器内及球 罐内无液态烃
7. 安装完成投产前或检修完毕后必须清污再投产。
切水器的检查与维修
1.切水器必须加强日常检查和维护保养,发生故障应及时排除,保持切水器处于良好的工作状态,并严格执行当地劳动部门和公安消防部门的有关规定。
2.液化石油切水器的定期检查,分为月检、年度检和全面检验三种,年度检验每年检查一次,全面检验按《容归》相关规定进行,切水器从投入使用起三年内必须进行首次全面检 验,年度检验如发现严重缺陷,必须提前全面检验。
3.承担全面检验的部门和用户应按劳动相关管理规程的条文严格执行。
A、液化石油切水器的年度检验包刮以下内容。
(1)检查切水器表面有无裂纹、腐蚀、凹坑、泄露等缺陷。
(2)按照《容归》有关要求检查,进行相应的性能试验和检验,不合格零部件应及时更换。
(3)所有法兰密封情况。
(4)耐压试验及壳体厚度检测(是否大于计算厚度)
B、月度检验包刮以下内容
(1)切水器的外观有无异常情况发生
(2)切水量是否正常
(3)排水时是否泄露液态烃
(4)当完成切水操作后,切水器出水口的阀门是否关闭
(5)监控系统各部分是否运行正常
故障排除
1.切水器罐体连接法兰密封面泄露
原因:1、密封面多次使用导致垫片损坏。2、螺栓拧紧时紧固力不够,或者不均匀。
消除方法:1、更换密封垫片。2、紧固法兰的连接螺栓、更换失效的螺栓、螺母。
2.排水阀泄露
原因:1、液化石油气杂质侵入排水阀内,影响正常操作。2、密封面长期使用有损伤、老化或污垢卡住密封圈。
消除方法:1、清洗排水阀。2、更换密封圈。








产品中心 
