罐附件系列
泡沫发生器
|产品介绍
空气泡沫产生器装于油罐上用于灭火,我公司只提供发生器总成,其余不供应。
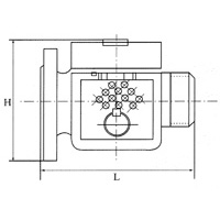
|产品结构
|产品技术参数
| 型号 | 规格 | 重量(Kg) | 技术条件 |
| PC4 | 25升 | 16 |
1. 工作压力5kg/cm2混合液为4升/秒泡沫发生量25升。 2. 工作压力范围2-5kg/cm2。 3. 玻璃片在1- 2kg/cm2水压冲破。 |
| PC8 | 50升 | 22 |
1. 工作压力5kg/cm2混合液为8升/秒泡沫发生量50升。 2. 工作压力范围2-5kg/cm2。 3. 玻璃片在1- 2kg/cm2水压冲破。 |
| PC16 | 100升 | 32 |
1. 工作压力5kg/cm2混合液为16升/秒泡沫发生量100升。 2. 工作压力范围2-5kg/cm2。 3. 玻璃片在1- 2kg/cm2水压冲破。 |
| PC24 | 150升 | 40 |
1. 工作压力5kg/cm2混合液为24升/秒泡沫发生量150升。 2. 工作压力范围2-5kg/cm2。 3. 玻璃片在1- 2kg/cm2水压冲破。 |








产品中心 
